Estación de bombeo de riego agrícola inteligente MPIS
La estación de bombeo de riego agrícola inteligente SINOSO MPIS es un sistema integral de riego y drenaje con IoT que incorpora control automatizado, medición de caudal, videovigilancia y protección inteligente. Diseñada para ofrecer flexibilidad y eficiencia, cuenta con una estructura modular y móvil que permite la operación remota y la gestión centralizada. La estación presenta un diseño tipo pabellón y está construida con materiales innovadores y ecológicos. Está disponible en tres tamaños estándar (2,1 × 2,1 m, 2,1 × 4,2 m y 2,7 × 2,7 m), con una superficie máxima inferior a 10 metros cuadrados, lo que la hace eficiente en espacio y fácil de implementar en diversas configuraciones.
Características del producto
1. Tecnologías centrales
- Automatización de procesos: ajuste adaptativo controlado por PLC
- Sistema de seguridad: Detección infrarroja de doble canal + videovigilancia 1080p
- Gestión de flujo: medición ultrasónica con certificación ISO 4064-B
- Conectividad: Protocolos industriales MQTT 5.0 y OPC UA
2. Especificaciones físicas
| Modelo MPIS-210 | |
| Dimensiones | 2,1 m (largo) × 2,1 m (ancho) × 2,8 m (alto) |
| Huella | 4,41 m² |
| Construcción | Ecocompuesto FRP |
| Modelo MPIS-420 | |
| Dimensiones | 4,2 m (largo) × 2,1 m (ancho) × 2,8 m (alto) |
| Huella | 8,82 m² |
| Construcción | Aleación resistente a la corrosión |
| Modelo MPIS-270 | |
| Dimensiones | 2,7 m (largo) × 2,7 m (ancho) × 3,1 m (alto) |
| Huella | 7,29 m² |
| Construcción | Polímero estabilizado a los rayos UV |
3. Métricas de rendimiento
- Flexibilidad de implementación: reubicable en <4 horas (con asistencia de grúa)
- Protección ambiental: clasificación IP54 (compatible con IEC 60529)
- Vida útil operativa: >100.000 horas (certificación MTBF)
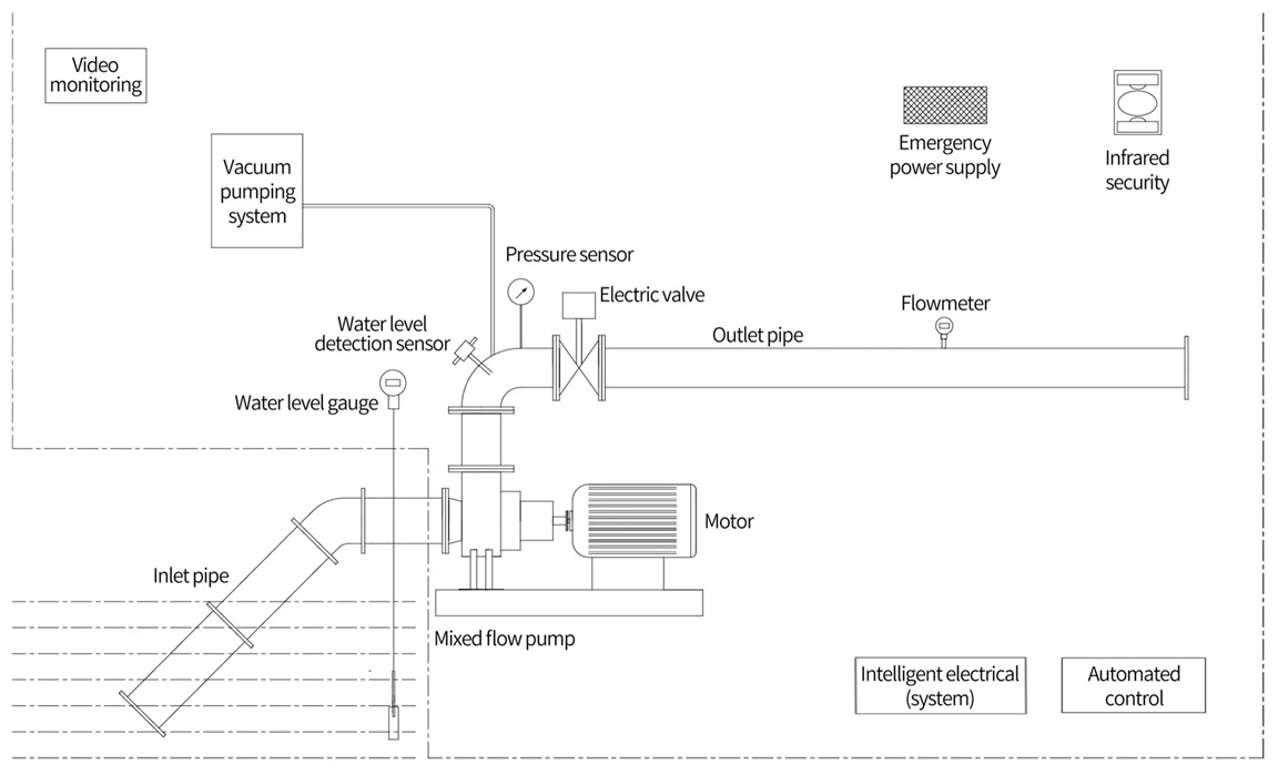
Principio de estructura

Índice de estilos

Escenarios de aplicación

La bomba de riego agrícola inteligente SINOSO MPIS es especialmente adecuada para la gestión moderna del riego y drenaje agrícola.
¿Por qué elegir SINOSO?
Socio de investigación

SINOSO es una estación de trabajo de posgrado en la provincia de Jiangsu, una unidad de cooperación en investigación, una base experimental de investigación y una base de capacitación de posgrado de la Universidad Agrícola de China, la Universidad Agrícola de Nanjing, la Universidad de Hohai, la Universidad de Jiangsu, la Universidad de Ciencia y Tecnología del Suroeste, la Academia de Ciencias Agrícolas de Jiangsu y el Instituto de Mecanización Agrícola de Nanjing del Ministerio de Agricultura y Asuntos Rurales.




















+86-025-87150950
globalsales@sinosorob.com
+86 18133051944